
接插方式 | 螺纹连接 |
外壳材料 | 锌基合金(镀镍) |
绝缘体 | 电木 |
接触体材料 | 铜(镀银 / 金) |
接线方式 | 焊接 |
接插方式 | 500 次 |
温度范围 | -20℃ ~ +85℃ |
电缆直径 | ≤ φ7.5mm |
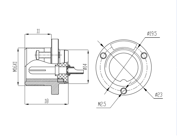
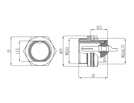
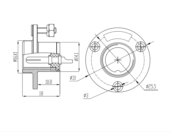
安装方式

芯数 | 1 | 2 | 3 | 4 |
额定电流/电压 | 7A-150V | 7A-150V | 7A-150V | 5A-125V |
工作电压(AC.V)分钟 | 500 | 500 | 250 | 250 |
耐电压(AC.V)分钟 | 1500 | 1500 | 1500 | 1500 |
绝缘阻抗(MΩ MIN.) DC 500V | 2000 | 2000 | 2000 | 2000 |
接触阻抗(MΩ MAX.) DC 1A | 1.5 | 1.5 | 1.5 | 2 |
焊杯口孔径Φ(mm) | 2 | 2 | 1.7 | 1.2 |
接触体孔径Φ(mm) | 2.95 | 2.95 | 2.45 | 2 |