
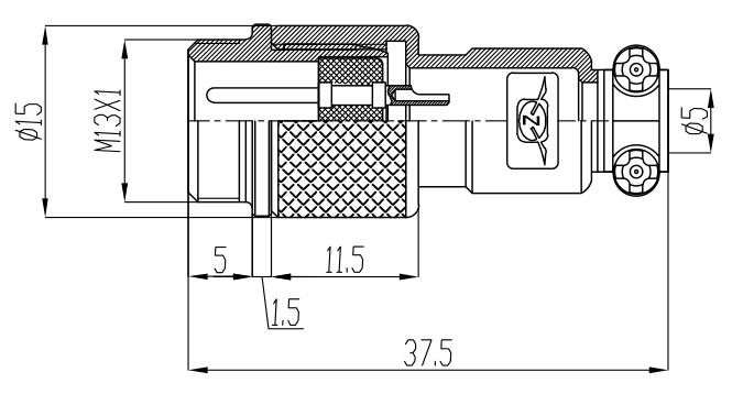
接插方式 | 螺纹连接 |
外壳材料 | 锌基合金(镀镍) |
绝缘体 | 电木 |
接触体材料 | 铜(镀银 / 金) |
接线方式 | 焊接 |
接插方式 | 500 次 |
温度范围 | -20℃ ~ +85℃ |
电缆直径 | ≤ φ5.0mm |
安装方式

芯数 | 2 | 3 | 4 | 5 | 6 | 7 |
额定电流/电压 | 5A-125V | 5A-125V | 5A-125V | 5A-125V | 5A-125V | 5A-125V |
工作电压(AC.V)分钟 | 200 | 200 | 200 | 200 | 200 | 200 |
耐电压(AC.V)分钟 | 1500 | 1500 | 1500 | 1500 | 1500 | 1500 |
绝缘阻抗(MΩ MIN.) DC 500V | 1500 | 1500 | 1500 | 1500 | 1500 | 1500 |
接触阻抗(MΩ MAX.) DC 1A | 5 | 5 | 5 | 5 | 5 | 5 |
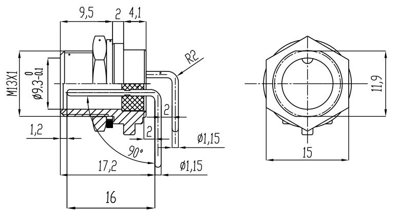
焊杯口孔径Φ(mm) | 0.8 | 0.8 | 0.8 | 0.8 | 0.8 | 0.8 |
接触体孔径Φ(mm) | 1.2 | 1.2 | 1.2 | 1.2 | 1.2 | 1.2 |