
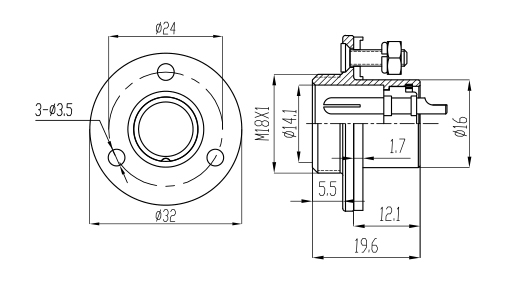
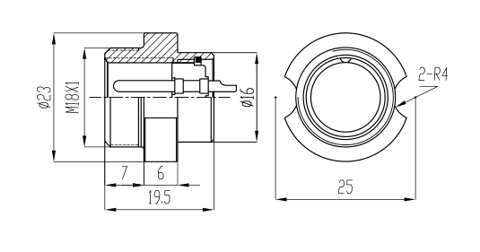
接插方式 | 螺纹连接 | 接线方式 | 焊接 |
外壳材料 | 锌基合金(镀镍) | 接插次数 | 500 次 |
绝缘体 | 电木 | 温度范围 | -20℃ ~ +85℃ |
接触体材料 | 铜(镀银 / 金) | 电缆直径 | ≤ φ9.0mm |
芯 数 | 2 | 3 | 4 | 5 | 6 | 7 | 8 |
额定电流 / 电压 | 10A-200V | 10A-200V | 7A-150V | 5A-150V | 5A-125V | 5A-125V | 5A-125V |
工作电压(AC.V)分钟 | 250 | 250 | 250 | 250 | 200 | 200 | 200 |
耐电压(AC.V)分钟 | 1500 | 1500 | 1500 | 1500 | 1500 | 1500 | 1500 |
绝缘阻抗(MΩ)DC500V | 1500 | 1500 | 1500 | 1500 | 1500 | 1500 | 1500 |
接触阻抗(MΩ)DC1A | 1.5 | 1.5 | 1.5 | 2 | 3 | 3 | 3 |
焊杯口孔径 φ(mm) | 2 | 2 | 2 | 1.2 | 0.8 | 0.8 | 0.8 |
接触体孔径 φ(mm) | 2.95 | 2.95 | 2.95 | 2 | 1.5 | 1.5 | 1.5 |